全部产品
其它
电子节温器
戴纳林品类
膨胀水箱
燃料电池颗粒过滤器
燃料电池专用防冻液
离子树脂交换过滤器
燃料电池空气滤清器
燃料电池增湿器
首页
关于我们
新闻中心
研发&生产
产品中心
萱柯氢能系列
萱柯树脂过滤器
萱柯专用防冻液
萱柯专用阴极空滤
冷却颗粒过滤器
戴纳林系列产品
离子树脂过滤器
燃料电池防冻液
亿姆匹电子水泵
曼胡默尔阴极空滤
合作伙伴及分支机构
首页
>
产品中心
>
燃料电池颗粒过滤器
>
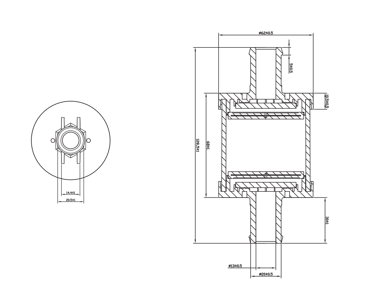
燃料电池专用离子交换树脂过滤器XK-CR-004S
详情请致电
名称:燃料电池专用离子交换树脂过滤器XK-CR-004S
更多推荐 > >
可在线通过咨询了解详情
通过以下按钮进入下一步
在线询价
详情
评价
首页
上一页
下一页
尾页
特别推荐
颗粒过滤器KLGLQ-001T2
颗粒过滤器KLGLQ-002T2
颗粒过滤器KLGLQ-003P
颗粒过滤器KLGLQ-005
颗粒过滤器KLGLQ-006